COH24是一款单偏振90°光混频器(光混合器、90°光电桥),通过在信号和本地振荡器(LO)之间执行四个90°相位干涉,能够从单个偏振信号中提取相位和振幅。 COH24-X是新一代光学混频器,具有改进的性能(更宽的工作波长范围和更好的双重均匀性)。COH28和COH28-X基于两个单偏振90°光学混频器,能够从任何偏振信号中提取相位、振幅和偏振信息。COH24与COH28都是无源、无热光器件产品。 COH24-X和COH28-X还具有相位可调性选项,以便根据所使用的波长完美地调整混合90°。此外,还有COH22的双偏振180°光学混频器。
产品简介:
COH24是一种单偏振90°光混频器,通过在信号和本地振荡器(LO)之间执行四个90°相位步进干涉,能够从单偏振信号中提取相位和幅度。COH24-X是新一代光学混频器,相比于COH24具有改进的性能(更宽的工作波长范围和更好的双均匀性)。
COH28和COH28-X基于两个单偏振90°光混频器,能够从具有任何偏振的信号中提取相位、幅度和偏振。
这些产品是纯无源和无热设计。
COH24-X和COH28-X还具有相位可调选项,以便根据使用的波长完美调整混频器到90°。
COH22是一款双偏振180°光混频器。
工作波长:
两种COH-X都可以定制从可见光至红外波段不同工作波长。这些光混频器将可以在用户指定的中心波长数十纳秒的范围的正常工作。1300nm、1064nm和800nm的产品已经成功制造。联系CA888亚洲城光电获取可定制波长的光混频器。
分束比:
对于标准COH,在I上具有来自信号(SIGNAL)(或LO/本振)的50%的光功率,在Q上具有50%的光功率。
这个分束比可以定制。例如,我们可以从信号(SIGNAL)(或LO/本振)中分离光功率,以便在I上获得10%,在Q上获得90%。SIGNAL(信号) 和LO(本振) 的分光比可以不同。
光纤类型与连接器:
对于单偏振光混频器(COH24和COH24-X),信号和本振光都有保偏光纤(PMF),输出为单模光纤(SMF)。
对于双偏振光混频器(COH22、COH28和COH28-X),本振光信号为保偏光纤(PMF),信号光为单模光纤(SMF)。 输出为单模光纤(SMF)。
对于所有这些光混频器产品,输出可以选择使用PER为20dB保偏光纤(PMF)。
对于COH22、COH28和COH28-X光混频器,信号输入可以选择使保偏光纤对齐,这样慢轴和快轴被输入PBS分开。 最终,光纤可以根据客户要求以不同的方式对齐。
这些光混频器可以使用任何类型的连接器(FP/UPC、FC/APC、SC/PC、SC/APC、LC/PC、E2000/PC、E2000/APC)。
我们所有的光混频器(COH)产品都提供标准为1m的光纤长度。可根据要求提供低至10厘米的其他光纤长度。
绝对最大额定值:
|
参数规格 |
符号 |
Min |
Typ. |
Max |
单位 |
备注/条件 |
|
最大输入光功率 |
OpIn |
|
|
300 |
mW |
|
|
存储温度范围 |
STR |
-40 |
|
80 |
℃ |
|
|
湿度范围 |
RH |
5 |
|
85 |
% |
非凝结状态 |
|
光纤弯曲半径 |
|
20 |
|
|
mm |
|
|
最大输入电压1 |
U |
|
|
4 |
V |
|
*1:相位可调选型仅COH24X,COH28X。
工作条件:
|
参数 |
符号 |
Min |
Typ. |
Max |
单位 |
备注/条件 |
|
|
工作波长范围 |
COH |
OWR |
1520 |
|
1570 |
nm |
|
|
工作波长范围 |
COH-X |
OWR |
1520 |
|
1625 |
nm |
|
|
工作温度范围 |
OTR |
0 |
|
70 |
℃ |
|
|
参数规格指标:
|
参数 |
符号 |
Min |
Typ. |
Max |
单位 |
备注/条件 |
|
|
插入损耗(信号端口)2 |
COH24/COH24-X |
IL→S |
|
7 |
8.5 |
dB |
含6dB自然损耗 |
|
插入损耗(信号端口)2 |
COH28/COH28-X |
IL→S |
|
7 |
8.5 |
dB |
含6dB自然损耗 |
|
插入损耗(本振端口)2 |
COH24/COH24-X |
IL→LO |
|
7 |
8.5 |
dB |
含6dB自然损耗 |
|
插入损耗(本振端口)2 |
COH28/COH28-X |
IL→LO |
|
10 |
11.5 |
dB |
含9dB自然损耗 |
|
插入损耗均匀度2,3 |
COH |
ΔIL |
|
1 |
2 |
dB |
无连接器 |
|
插入损耗均匀度2,3 |
COH-X |
ΔIL |
|
0.5 |
1 |
dB |
无连接器 |
|
插入损耗双均匀度2,3 |
COH |
Δdual |
|
0.5 |
1 |
dB |
平衡输出之间,无连接器 |
|
插入损耗双均匀度2,3 |
COH-X |
Δdual |
|
0.2 |
0.5 |
dB |
平衡输出之间,无连接器 |
|
相移I和Q2 |
φ |
85 |
|
95 |
deg |
|
|
|
时钟偏移/Skew4 |
|
|
0.5 |
1 |
ps |
连接器端测试 |
|
|
光回波损耗 |
ORL |
35 |
|
|
dB |
|
|
|
偏振分束比5 |
PSR |
20 |
|
|
dB |
输入端,X与Y偏振分束比 |
|
|
可调相移范围2,6 |
Δφ |
±20 |
|
|
deg |
0-3V电压 |
|
|
封装尺寸7 |
COH |
|
70 x 52 x 10 |
mm3 |
|
||
|
封装尺寸7 |
COH-X |
|
180 x 32 x 19.5 |
|
|
||
|
尾纤类型 |
SM |
|
SMF-28 |
|
900um松套管 |
||
|
尾纤类型 |
PM |
|
PANDA PM |
|
|
||
|
尾纤长度 |
|
0.9 |
1 |
1.1 |
m |
其他长度可定制 |
|
*2:在OTR和OWR上全偏振态测试。
*3:信号端口与输出端口插入损耗,本振端口与输出端口插入损耗。
*4:所有端口。Skew:
*5:仅COH28及COH28-X。
*6:仅带可调移相功能版本。
*7:不含光纤插销(凸起部位)。
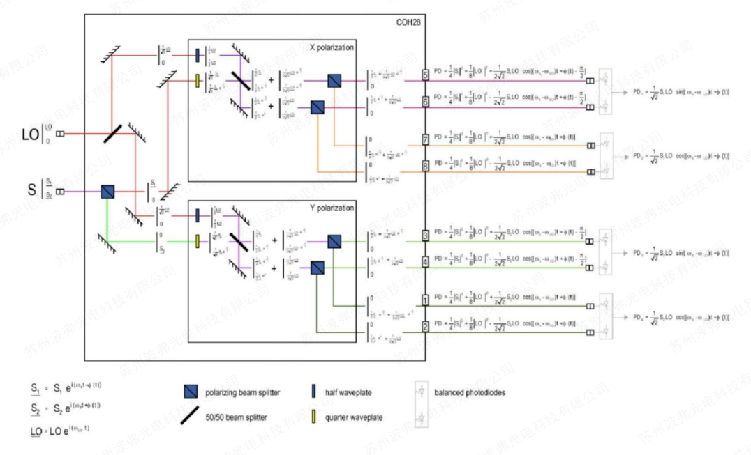
功能结构图:
COH28结构图
COH24结构图
光混频器COH-X和COH双均匀度:
|
|
|
|
COH24 IL双均匀度s vs频率(波长) |
COH24-X IL双均匀度vs频率(波长) |
上图比较了标准光混频器(COH)和新一代光混频器(COH-X)的信号和本振的双均匀性,这是90°光混频器的关键参数。 我们可以清楚地看到,COH-X在更宽的范围内表现出更好的双均匀性。
相位调谐(可调相移)选项:
光混频器的90°相移略微取决于波长。 例如,它在C波段上增加了大约2°到3°。 这意味着如果在191THz时相移为88.5°,则在197THz时相移约为91.5°(有关一些典型测量值,请参见下一段)。
针对于某些应用来说,无论您使用什么波长,都需要有一个非常精确的90°相移。 这就需要COH-X上的相位调谐(可调相移)选项来实现。 使用此选项,可以在光混频器上施加0V和4V之间的两个电压(V1和V2)。 一个会增加相移,而第二个会减少相移。 因此,对于OWR中的任何波长,相移都可以调整为精确等于90°。
以下是带有相位调谐选项的COH24-X的包装以及COH24-X设备的相移与电压的典型测量值:
|
|
|
|
COH24-X带相位调谐选项封装/外观 |
参考图:相位调谐VS施加电压范围 |
典型测试参考:
以下两个测试显示了90°相移的典型数据参考。图1,可以看到相移随温度的变化非常小(<1°)。 因此,光混频器不需要任何温度控制来确保精确、稳定的90°相移。图2,可以看到相移随波长的变化很小(<3°)。但是,如果对于某些特定应用需要非常精确的90°相移,COH-X上可用的相位可调选项将能够针对OWR的任何波长进行精确调整。
|
|
|
|
图1: COH28相位变化vs温度关系 |
图2: COH28相位变化vs波长/频率关系 |
图3(下图)显示了IL变化与温度的关系。 可以看到,每个输出没有完全相同的变化,但它们都保持很小,以及双重和总均匀性。
图表3:插入损耗随温度的变化(COH28-X信号→输出)
应用案例:全可调90°光混频器
为了能够控制COH24-X或COH28-X的所有参数,我们建议在19英寸2U机架中使用用户可以调整的系统:
l 相位
l 插入损耗均匀度
l 时钟偏移/Skew
双偏振90°光混频器
基于以下框图和规格提供双偏振180°光混频器:
|
参数 |
符号 |
Min |
Typ. |
Max |
单位 |
备注/条件 |
|
|
插入损耗(信号端口)1 |
IL→S |
|
4 |
5 |
dB |
含3dB自然损耗 |
|
|
插入损耗(本振端口)1 |
IL→LO |
|
7 |
8 |
dB |
含6dB自然损耗 |
|
|
插入损耗均匀度1,2 |
ΔIL |
|
0.8 |
1.5 |
dB |
不含连接器 |
|
|
插入损耗双均匀度1,2 |
Δdual |
|
0.2 |
0.8 |
dB |
平衡输出之间,无连接器 |
|
|
相移I和Q1 |
φ |
85 |
|
95 |
deg |
|
|
|
时钟偏移/Skew3 |
|
|
0.5 |
1 |
ps |
连接器端测试 |
|
|
光回损 |
ORL |
35 |
|
|
dB |
|
|
|
封装尺寸4 |
|
70 x 52 x 10 |
mm3 |
|
|||
|
尾纤类型 |
SM |
|
SMF-28 |
|
900um松套管 |
||
|
尾纤类型 |
PM |
|
PANDA PM |
|
900um松套管 |
||
|
尾纤长度 |
|
0.9 |
1 |
1.1 |
m |
其他长度可定制 |
|
*1:在OTR和OWR上全偏振态测试。
*2:从信号端口或本振端口到输出端口。
*3:针对于所有端口
*4:不含光纤插销(凸起部位)。
用户定制:
可以轻松定制我们的大部分产品,90°光混频器也是如此。 客户可以随时要求他们需要的任何定制。 联系CA888亚洲城光电获取更多信息。
产品封装:
|
|
|
|
COH28 packaging |
COH-X packaging |
版本信息:
|
日期 |
版本 |
目的 |
|
March 27, 2013 |
COH V1.0 |
初版/创建 |
|
February 3rd,2015 |
COH V1.1 |
新增COH22 (双偏振180°光混频器) |
|
February 24th, 2015 |
COH V1.2 |
COH22指标更新 |
*更多光混频器产品资料信息,联系CA888亚洲城光电相关销售人员确认。
*COH24 vs COH24X产品参数规格参考:
| COH24 vs COH24X | ||||
| MODEL | COH24 | COH24(PM) | COH24X |
COH24X (phase tunable) |
| wavelength (nm) | 1520-1570 | 1520-1570 | 1520-1625 | 1520-1625 |
| Frequency range (THz) | 191-197 | 191-197 | 184-197 | 184-197 |
| Phase diff.betw.In and Qn (deg) | 90 | 90 | 90 | 90 |
| Phase accuracy (deg) | 5 | 5 | 5 | 5 |
| Excess IL (dB) | 2.5 | 2.5 | 2.5 | 2.5 |
| Dual uniformity (dB) | 1.1 | 1.1 | 0.6 | 0.6 |
| IL uniformity (dB) | 2.0 | 2.0 | 1.0 | 1.0 |
| PER (dB) | n.a. | 19 | n.a. | n.a. |
| ORL (dB) | 30 | 30 | 30 | 30 |
| Skew (ps) | 1 | 1 | 1 | 1 |
| Maximum input optical power (mW) | 300 | 300 | 300 | 300 |
| OTR (℃) | 0/70 | 0/70 | 0/70 | 0/70 |
| Storage T (℃) | -40/80 | -40/80 | -40/80 | -40/80 |
| Signal connector | FC/APC | FC/APC | FC/APC | FC/APC |
| LO connector | FC/APC | FC/APC | FC/APC | FC/APC |
| Outputs connectors | FC/APC | FC/APC | FC/APC | FC/APC |
| Signal fiber type | PMF | PMF | PMF | PMF |
| LO fiber type | PMF | PMF | PMF | PMF |
| Outputs fibers type | SMF | PMF | SMF | SMF |
| fiber protection | ||||
| Signal fiber length (m) | 1.0 | 1.0 | 1.0 | 1.0 |
| LO fiber length (m) | 1.0 | 1.0 | 1.0 | 1.0 |
| Outputs fibers length (m) | 1.0 | 1.0 | 1.0 | 1.0 |
| Phase tunable range (deg) | n.a. | n.a. | n.a. | 70 to 110 |
| Tuning voltage (V) | n.a. | n.a. | n.a. | 0 to 4 |
| Power consumption (W) | n.a. | n.a. | n.a. | 0.5 |
| Package | PK-09-001-B | PK-09-001-B | PK-13-010 B | PK-13-011 C |
| Packaging size | 70 x 52 x 10 | 70 x 52 x 10 | 180 x 32 x 19.5 | 180 x 32 x 19.5 |
| 备注 | 更多产品信息、需求信息,联系苏州CA888亚洲城光电科技有限公司相关销售人员。 | |||
COH28&COH28X产品参数规格参考:
| COH28 vs COH28X | ||
| MODEL | COH28 | COH28X |
| wavelength (nm) | 1520-1570 | 1520-1625 |
| Frequency range (THz) | 191-197 | 184-197 |
| Phase diff.betw.In and Qn (deg) | 90 | 90 |
| Phase accuracy (deg) | 5 | 5 |
| Excess IL (dB) | 2.5 | 2.5 |
| Dual uniformity (dB) | 1.1 | 0.6 |
| IL uniformity (dB) | 2.0 | 1.5 |
| PER (dB) | n.a. | n.a. |
| ORL (dB) | 30 | 30 |
| Skew (ps) | 1 | 1 |
| Maximum input optical power (mW) | 300 | 300 |
| OTR (℃) | 0/70 | 0/70 |
| Storage T (℃) | -40/80 | -40/85 |
| Signal connector | FC/APC | FC/APC |
| LO connector | FC/APC | FC/APC |
| Outputs connectors | FC/APC | FC/APC |
| Signal fiber type | SMF | SMF |
| LO fiber type | PMF | PMF |
| Outputs fibers type | SMF | SMF |
| fiber protection | ||
| Signal fiber length (m) | 1.0 | 1.0 |
| LO fiber length (m) | 1.0 | 1.0 |
| Outputs fibers length (m) | 1.0 | 1.0 |
| Phase tunable range (deg) | n.a. | n.a. |
| Tuning voltage (V) | n.a. | n.a. |
| Power consumption (W) | n.a. | n.a. |
| Package | PK-09-002-B | PK-13-009 B |
| Packaging size | 70 x 52 x 10mm | 180 x 32 x 19.5mm |
| 备注 | 更多产品信息、需求信息,联系苏州CA888亚洲城光电科技有限公司相关销售人员。 | |
产品选型参考:
|
系列 |
说明 |
|
COH24 |
C波段单偏振90°光学混频器(90°光电桥) |
|
COH24-X |
C+L波段单偏振90°光学混频器(90°光电桥),可选相位调谐 |
|
COH28 |
C波段双单偏振90°光学混频器(90°光电桥) |
|
COH28-X |
C+L波段双单偏振90°光学混频器(90°光电桥),可选相位调谐 |
|
COH22 |
C波段双偏振180°光学混频器(光混合器,180°光电桥) |
