产品中心
+20dBm 1550nm 高功率蝶形 SOA

半导体光放大器(SOA)系列产品,主要应用于1550nm波长的光放大,能显著提高输出光功率。 SOA-1550-20-G30提供+20dBm饱和输出功率,30dB增益,单模、保偏版本均可选择。高度定制。

自有SOA芯片,全工艺自主可控。

单模版本

保偏版本

产品特点
· 有高增益、低功耗、低偏振相关损耗、高输出光功率(20dBm)、高消光比等特点。
· ASE 功率高达 40mW,适用于宽谱光源。
· 支持温度监测和 TEC热电控制,确保全温度工作范围稳定运行。
典型应用
· 分布式光纤传感系统中,替代声光调制器产生脉冲光。
· 1550nm固态激光雷达或调频连续波激光雷达中,与窄线宽激光机结合产生脉冲光。
· 宽谱光源中,如光纤光栅的解调仪的宽谱光源。
· 光通信系统中,实现1550波长光信号放大。
产品介绍

半导体光放大器(SOA)系列产品,主要应用于1550nm波长的光放大,能显著提高输出光功率。 SOA-1550-20-G30提供+20dBm饱和输出功率,30dB增益,单模、保偏版本均可选择。高度定制。

自有SOA芯片,全工艺自主可控。

产品型号及主要指标

参数

符号

工作条件

最小值

典型值

最大值

单位

ASE中心波长

λ

If=800mA

-

1510

-

nm

带宽

Δλ

@-3dB

-

60

-

nm

饱和光功率

Psat

If=800mA,λ=1550nm

20

-

23

dBm

饱和光功率 (保偏器件)

Psat

If=800mA,λ=1550nm

20

-

22

dBm

偏振消光比(保偏器件)

Per

-

20

-

-

dB

小信号增益

G

Pin=-20dBm,λ=1550nm

-

-

30

dB

工作电流

If

-

-

800

1200

mA

噪声系数

NF

-

-

7.5

TBD

dB

消光比

ER1

If=800mA/If=0mA Pin=0dBm

55

-

60

dB

TEC电流

ITEC

-

-

-

1.8

A

TEC电压

VTEC

-

-

-

3.4

V

偏振相关增益

PDG

-

-

1.5

2

dB

热敏电阻阻值

Rtherm

T=25℃

9.5

10

10.5

热敏电阻电流

Itherm

-

-

-

5

mA

气密性1

-

T=25℃

1*10-12

1*10-11

1*10-8

Pa.m3/s

工作温度

TC

I=Iop

-40

-

60

存储温度

Tstg

-

-40

-

85

备注1:气密性数值为管壳封装数值,排除管壳外部残留干扰测试得出。

典型特性


 

 

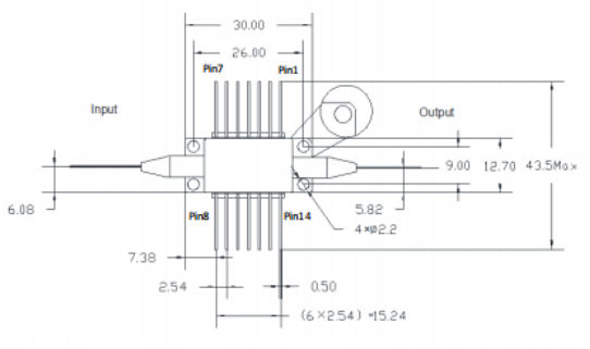
结构尺寸和管脚定义


 

 

 


订货信息:


订货信息

产品描述

SOA-1550-20-G30-SM-FA

1550nm波段-20dBm饱和输出功率-30dB增益-蝶形封装-单模光纤-FC/APC接头

SOA-1550-20-G30-PM-FA

1550nm波段-20dBm饱和输出功率-30dB增益-蝶形封装-保偏光纤-FC/APC接头


相关产品
在线留言
导航 产品 资料 电话
网站地图