产品中心
+9dBm 高灵敏度1310nm 蝶形 SOA

 1310nm半导体光放大器(SOA)系列产品,主要应用于数据中心互联 等光通信领域。 全国产化产品,交付及时。定制化服务:可支持保偏、集成隔离器、集成PD光功率监控等更高集成度的器件订制。


单模版本

保偏版本

品牌:Bonphot

产品特点
· 低噪声、高灵敏度,可满足PON上行业务放大需求。
· 低功耗、高线性度,可满足数据中心互联等高速业务放大需求。
· 定制化服务:可支持保偏、集成隔离器、集成 PD 光功率监控等更高集成度的器件订制。
典型应用
· 数据中心互联,高速光业务放大。
产品介绍
 1310nm半导体光放大器(SOA)系列产品,主要应用于数据中心互联 等光通信领域。 全国产化产品,交付及时。定制化服务:可支持保偏、集成隔离器、集成PD光功率监控等更高集成度的器件订制。
产品型号及主要指标

参数

符号

工作条件

最小值

典型值

最大值

单位

工作波长

λ

T=25℃

1210

1270

1330

nm

带宽

Δλ

@-3dB

60

-

-

nm

小信号增益

G

If=120mA Pin=-20dBm

-

18

-

dB

饱和光功率

Psat

If=120mA

9

-

-

dBm

饱和光功率(保偏)

Psat

If=120mA

7

-

-

dBm

偏振消光比(保偏)

Per

If=120mA

20

-

-

dB

偏振相关增益

PDG

-

-

0.3

1.0

dB

噪声系数

NF

-

-

7

8

dB

灵敏度@100G


100G LR QSFP28 加SOA误码测试

-

-12.5

-

dBm

工作电流

If

-

-

120

250

mA

正向电压

Vf

-

-

-

1.8

V

TEC电流

ITEC

-

-

-

1.8

A

TEC电压

VTEC

-

-

-

3.4

V

热敏电阻阻值

Rtherm

T=25℃

9.5

10

10.5

热敏电阻电流

Itherm

-

-

-

5

mA

气密性

-

T=25℃

1*10-12

1*10-11

1*10-8

Pa.m3/s。

工作温度

TC

I=Iop

-10

-

70

°C

存储温度

Tstg

-

-40

-

85

°C

备注 1:气密性数值为管壳封装数值,排除管壳外部残留干扰测试得出。


典型特性


 

 

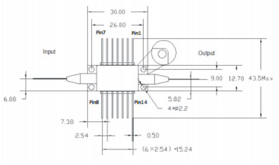
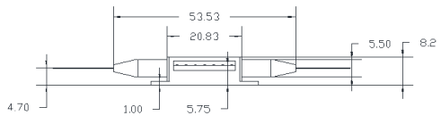
结构尺寸和管脚定义


 

 


订货信息

订货信息

产品描述

SOA-1310-09-G18-SM-FA

1310nm波段-9dBm饱和输出功率-18dB增益-蝶形封装-单模光纤-FC/APC接头

SOA-1310-07-G18-PM-FA

1310nm波段-7dBm饱和输出功率-18dB增益-蝶形封装-保偏光纤-FC/APC接头




相关产品
在线留言
导航 产品 资料 电话
网站地图