产品中心
1060nm波段SOA 蝶形半导体光放大器

1060nm波段半导体光放大器(SOA)系列产品,主要应用于1060nm波段的光放大,为高增益、高功率、低偏振度、宽谱半导体光放大器模块设计,能显著提高输出光功率。具有供货周期短、性价比高、可靠性高等优点。

系列:SOA-1060-15-G25

单模版本:SOA-1060-15-G25-SM

保偏版本:SOA-1060-15-G25-PM

交付周期短(现货交付)

产品特点
· 具有高增益、低功耗、低偏振相关损耗、高输出光功率(15dBm)、高消光比等特点
· 支持温度监测和TEC热电控制,确保全温度工作范围稳定运行
· 定制化服务:可支持保偏、集成隔离器、集成PD光功率监控等更高集成度的器件订制
典型应用
· 应用于OCT医疗应用(SS-OCT)
· 扫频源,可调谐激光器应用
· 高速开关调制应用等
产品介绍

1060nm波段半导体光放大器(SOA)系列产品,主要应用于1060nm波段的光放大,为高增益、高功率、低偏振度、宽谱半导体光放大器模块设计,能显著提高输出光功率。具有供货周期短、性价比高、可靠性高等优点。


交付周期短,自主可控。

产品型号及主要指标

参数

符号

工作条件

最小值

典型值

最大值

单位

ASE中心波长

λASE

If=400mA

-

1070

-

nm

工作波长

λ

Pin=0dBm

-

1060

-

nm

带宽

Δλ

@-3dB,Pin=-20dBm

-

50

-

nm

饱和光功率

Psat

If=400mA,λ=10600nm,Pin=5dBm

-

+15

-

dBm

偏振消光比(保偏)

Per

-

20

-

-

dB

小信号增益

G

If=400mA,Pin=-25dBm,λ=1060nm

-

25

-

dB

噪声系数

NF

-

-

7.5

10

dB

正向电压

Vf

-

-

-

2

V

工作电流

If

-

-

400

600

mA

TEC电压

VTEC

-

-

-

3.4

V

TEC电流

ITEC

-

-

-

1.8

A

功耗(总)

P

-

-

-

4

W

热敏电阻阻值

Rtherm

T=25℃

9.5

10

10.5

热敏电阻电流

Itherm

-

-

-

5

mA

气密性1


T=25℃

1*10-12

1*10-11

1*10-8

Pa.m3/s

工作温度

TC

I=Iop

-40

-

60

°C

存储温度

Tstg

-

-40

-

85

°C


注1:气密性数值为管壳封装数值,排除管壳外部残留干扰测试得出。

*参数规格如有更改,恕不另行通知,请联系苏州CA888亚洲城光电科技有限公司相关销售人员确认。



典型特性


 

 

ASE光谱

ASE LIV

 

 

增益vs电流(@不同输入功率)

增益vs输出功率

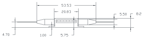
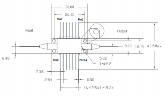
结构尺寸和管脚定义


 

 

 



订货信息

产品描述

SOA-1060-15-G25-SM-FA

1060nm波段-15dBm饱和输出功率-25dB增益-蝶形封装-单模光纤-FC/APC接头

SOA-1060-15-G25-PM-FA

1060nm波段15dBm饱和输出功率-25dB增益-蝶形封装-保偏光纤-FC/APC接头


相关产品
在线留言
导航 产品 资料 电话
网站地图